Altium Designer 是原Protel软件开发商Altium公司推出的一体化的电子产品开发系统,主要运行在Windows操作系统。这套软件通过把原理图设计、电路仿真、PCB绘制编辑、拓扑逻辑自动布线、信号完整性分析和设计输出等技术的完美融合,为设计者提供了全新的设计解决方案,使设计者可以轻松进行设计,熟练使用这一软件使电路设计的质量和效率大大提高。
新手教程推荐:Altium Designer 20 19(入门到精通全38集)四层板智能车PCB设计视频教程AD19 AD20 凡亿_哔哩哔哩_bilibili
https://www.bilibili.com/video/BV16t411N7RD?from=search&seid=4530935776254031183&spm_id_from=333.337.0.0
左上角 file ->new->project->pcb板构建工程

然后选择 绘制面板建立,也可以在工程中选择建立绘制面板
原件库压缩包:
链接:https://pan.baidu.com/s/1FsYlar1lGhPfL_ZFQ9FetQ
提取码:lyhh
这里给出多种类的元件库,里面内容较第一个而言,内容更多
链接:https://pan.baidu.com/s/1fP3KtHInUIrmUDAtl9NMSw
提取码:r003
1、点击右侧libraries

2、添加文件

选择刚才解压的文件目录,全部添加。

点击close

添加完后,右边就会出现对应的元件库了。
注:如果右侧没有 Libraries ,点击右下角的 Panels 按钮,勾选上 Libraries 就出来了,这是控制显示/隐藏。
1、选择右侧的 stm32 原件库,找到对应的芯片元件,右键双击,将其放在面板上。

2、同理,将剩余的元件依次绘上。

3、一些基本操作(方便绘制)
(1)、延长管脚(左键在起始和终点各点击一下即可连接,右键释放掉)

(2)、复制粘贴(选中之后也可以使用 ctrl + c 复制,ctrl + v 粘贴),大大减少工作量,按空格可以每90°旋转器件。

(3)、放置网络编号:右键点击一下,会出现下拉选项,点击 Net Label 。
经过上面的步骤,应该掌握了基本的绘制方法,按照如下原理图绘制即可。
绘制过程中,以下的元件名可以根据角标知道,到各个元件库里面找,更多详细的教程请点击参考资料中的链接即可学习,我也是按照参考 资料 一步一步做的,说实话,挺费时间,但是学到了很多。
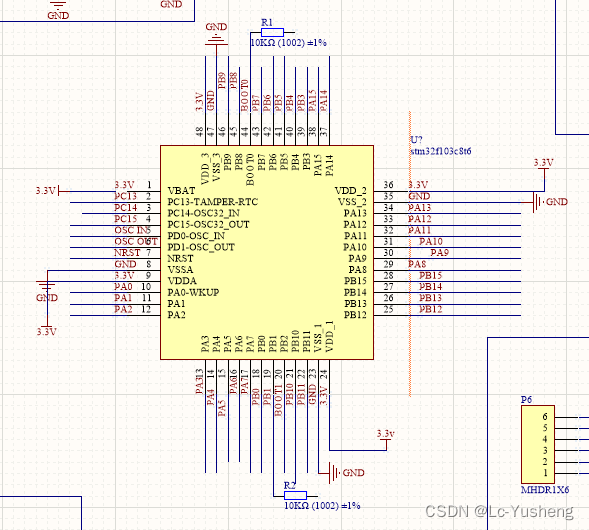
最后的芯片结果:

4、绘制SD卡的原理图
由于我这个包没有直接附带的有SD卡的模块,所以根据SD卡的原理图,理由多个拼凑出SD卡的原理图。

5、最终完整的SD卡和STM32的图
Altium Designer 这个工具对于我们而言,真的是十分有用,很多我们需要了解的原理都可以通过这个软件进行实现。同样,绘制原理图只是它的一个很小的用处,其他的用法可以参考b站的视频教学。然后便是,由于连线很多,需要注意保护自己的眼睛。
https://blog.csdn.net/ssj925319/article/details/109582959
https://blog.csdn.net/qq_46467126/article/details/122034936
免责声明:本文系网络转载或改编,未找到原创作者,版权归原作者所有。如涉及版权,请联系删