为了方便查看博客,特意申请了一个公众号,附上二维码,有兴趣的朋友可以关注,和我一起讨论学习,一起享受技术,一起成长。

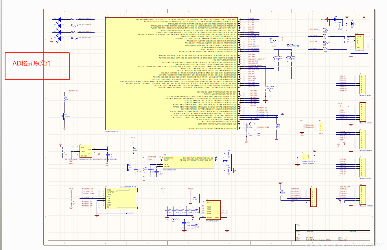
1.1 我们准备两个由 Alitum Designer绘制的原理图和印刷板文件,如下图:

原理图原文件如下图:

1.2 如下图,打开 PADS 安装后的文件夹,找到 转换工具

1.3 AD 原理图转为PADS,打开PADS Schematic Translator,如下图,打开添加 AD 原理图进行转换:

1.4 点击转换,忽略警告,我们就得到转换后的 PADS 的原理图(sch)文件,通过 PADS Logic 就可以打开原理图查看,如下图:

2.1 点击1.2图中的 PADS Layout Translator ,打开添加 AD 绘制的印刷板文件,如下图:

2.2 转换成功,如下图所示:

3.1 选文件—>导出,保存 txt 文件,如下图:

导出配置如下:

保存文件,完成导出。
3.2 打开 AD ,执行文件–>打开,找到刚才导出的 txt 文件,如下图:

然后一路点击 next ,直至结束,就在 AD 里面创建了一个工程,里面就含有 AD 格式的原理图。如下图:

这样就完成了 PADS 的原理图导入到 AD 中,但低版本的 AD 会存在一些错乱,高版本的 AD 似乎就可以完美兼容了。
4.1 打开一个 PADS 格式的印刷板,执行文件—>导出,保存为 :.asc文件,如下图:

4.2 导出配置如下:

为了对应兼容版本较低的 AD 软件,这里选择则 PowerPCB V3.5 ,点击确定,就得到了 PCB 文件的中间文件;
4.3 在 AD 中,执行文件—>向导导入,运行到如下图,选择 .asc 文件;

4.4添加保存的 .asc文件,然后一路点击 next,直至结束。

如下图所示,导出完成,需要重新覆铜和对应的做一些修改,对于查看是没有问题的。

至此,我们就完成了 AD 和 PADS 文件之间互相转换,对于与 Allegro 的转换,以后在继续补充。
熟练的使用工具,是我们提升效率的途径之一,一专多能,融会贯通。
免责声明:本文系网络转载或改编,未找到原创作者,版权归原作者所有。如涉及版权,请联系删