1.61 什么叫做差分信号差分信号传输与单根信号传输的区别在哪?
答:差分传输是一种信号传输的技术,区别于传统的一根信号线一根地线的做法,差分传输在这两根线上都传输信号,这两个信号的振幅相等,相位相反。在这两根线上传输的信号就是差分信号。差分信号是用一个数值来表示两个物理量之间的差异。差分信号又称差模信号,是相对共模信号而言的。
我们用一个方法对差分信号做一下比喻,差分信号就好比是跷跷板上的两个人,当一个人被跷上去的时候,另一个人被跷下来了 - 但是他们的平均位置是不变的。继续跷跷板的类推,正值可以表示左边的人比右边的人高,而负值表示右边的人比左边的人高。0 表示两个人都是同一水平。图1 用跷跷板表示的差分信号 应用到电学上,这两个跷跷板用一对标识为V+和V-的导线来表示。
当我们采用差分信号进行传输的时候,增加了任何相关接口电路的复杂性,其好处有如下三个:
l 因为你在控制'基准'电压,所以能够很容易地识别小信号。在一个地做基准,单端信号方案的系统里,测量信号的精确值依赖系统内'地'的一致性。信号源和信号接收器距离越远,他们局部地的电压值之间有差异的可能性就越大。从差分信号恢复的信号值在很大程度上与'地'的精确值无关;
l 它对外部电磁干扰(EMI)是高度免疫的。一个干扰源几乎相同程度地影响差分信号对的每一端。既然电压差异决定信号值,这样将忽视在两个导体上出现的任何同样干扰。除了对干扰不大灵敏外,差分信号比单端信号生成的 EMI 还要少;
l 在一个单电源系统,能够从容精确地处理'双极'信号。为了处理单端,单电源系统的双极信号,我们必须在地和电源干线之间某任意电压处(通常是中点)建立一个虚地。用高于虚地的电压来表示正极信号,低于虚地的电压来表示负极信号。接下来,必须把虚地正确地分布到整个系统里。而对于差分信号,不需要这样一个虚地,这就使我们处理和传播双极信号有一个高逼真度,而无须依赖虚地的稳定性。
1.62 什么是爬电间距?
答:沿绝缘表面测得的两个导电零部件之间,在不同的使用情况下,由于导体周围的绝缘材料被电极化,导致绝缘材料呈现带电现象,此带电区的半径即为爬电间距。爬的意思,可以看做一个蚂蚁从一个带电体走到另一个带电体的必须经过最短的路程,就是爬电距离。电气间隙,是一个带翅膀的蚂蚁,飞的最短距离。
1.63 PCB中信号线分为哪几类,区别在哪?
答:PCB中的信号线分为两种,一种是微带线,一种是带状线。
微带线,是走在表面层(microstrip),附在PCB表面的带状走线,如图1-43所示, 蓝色部分是导体,绿色部分是PCB的绝缘电介质,上面的蓝色小块儿是微带线(microstrip line)。由于microstrip line(微带线)的一面裸露在空气里面,可以向周围形成辐射或受到周围的辐射干扰,而另一面附在PCB的绝缘电介质上,所以它形成的电场一部分分布在空中,另一部分分布在PCB的绝缘介质中。但是microstrip line中的信号传输速度要比stripline(带状线)中的信号传输速度快,这是其突出的优点。
图1-43 微带线示意图
带状线:走在内层(stripline/double stripline),埋在PCB内部的带状走线,如图1-44所示,蓝色部分是导体,绿色部分是PCB的绝缘电介质,stripline是嵌在两层导体之间的带状导线。因为stripline是嵌在两层导体之间,所以它的电场分布都在两个包它的导体(平面)之间,不会辐射出去能量,也不会受到外部的辐射干扰。但是由于它的周围全是电介质(介电常数比1大),所以信号在stripline 中的传输速度比在microstrip line中慢。
图1-44 带状线示意图
1.64 什么叫做EMC?
答:EMC,是Electro Magnetic Compatibility的缩写,翻译过来就是电磁兼容性,是指设备或系统在其电磁环境中能正常工作且不对该环境中任何事物构成不能承受电磁骚扰的能力。传感器电磁兼容性是指传感器在电磁环境中的适应性,保持其固有性能、完成规定功能的能力。它包含两个方面要求:一方面要求传感器在正常运行过程中对所在环境产生电磁干扰不能超过一定限值;另一方面要求传感器对所在环境中存在电磁干扰具有一定程度抗扰度。
1.65 形成EMC的三要素是什么?
答:EMC电磁干扰是电子产品困扰电子工程师的一大难题,为了解决电子产品设计中EMC的问题,我们必须先要弄清楚电磁干扰问题是怎么形成的。EMC问题形成的三点要素为:
Ø 电磁骚扰源;
Ø 耦合途径或者传播途径;
Ø 敏感设备。
EMC三要素之间的关系如图1-45所示。

图1-45 EMC三要素示意图
1.66 抑制EMC的方法有哪些?
答:在PCB设计中,抑制EMC问题呢,主要从以下几个方面入手:屏蔽、滤波、合理接地、合理布局。但是呢随着电子系统日益的集成化、综合化的发展,采取以上几个方面的措施往往会跟产品的成本、质量、功能要求等发生矛盾,所以我们要权衡利弊研究出最合理的措施来满足电磁兼容性的要求。
首先电磁兼容性控制是一项系统工程,应该在设备和系统设计、研制、生产、使用与维护的各阶段都充分的予以考虑和实施才可能有效。科学而先进的电磁兼容工程管理是有效控制技术的重要组成部分。
在控制方法,除了采用众所周知的抑制干扰传播的技术,如屏蔽、接地、答接、合理布线等方法以外,还可以采取回避和疏导的技术处理,如空间方位分离、频率划分与回避、滤波、吸收和旁路等等,有时这些回避和疏导技术简单而巧妙,可以代替成本费用昂贵而质量体积较大的硬件措施,收到事半功倍的效果。他们是精明的工程师们经常采用的控制方法。
在解决电磁干扰问题的时机上,应该由设备研制后期暴露出不兼容问题而采取挽救修补措施的被动控制方法,转变成在设备设计初始阶段就开展预测分析和设计,预先检验计算,并全面规划实施细则和步骤,做到防患于未然。把电磁兼容性设计和可靠性设计,维护性、维修性设计与产品的基本功能结构设计同时进行,并行开展。电磁兼容控制技术是现代并行工程的组成内容之一。
磁兼容控制策略与控制技术方案可分为如下几类:
1、传输通道抑制:具体方法有滤波、屏蔽、答接、接地、布线;
2、空间分离:地点位置控制、自然地形隔离、方位角控制、电场矢量方向方向控制; 3、时间分隔:时间共用准则、雷达脉冲同步、主动时间分隔、被动时间分隔;
4、频率管理:频率管制、滤波、频率调制、数字传输、光电转换;
5、电气隔离:变压器隔离、光电隔离、继电器主理、DC/DC变换。
1.67 电子设计中为什么要区分模拟地跟数字地?
答:简单来说,数字地是数字电路部分的公共基准端,即数字电压信号的基准端;模拟地是模拟电路部分的公共基准端,模拟信号的电压基准端(零电位点)。
由于数字信号一般为矩形波,带有大量的谐波。如果电路板中的数字地与模拟地没有从接入点分开,数字信号中的谐波很容易会干扰到模拟信号的波形。当模拟信号为高频或强电信号时,也会影响到数字电路的正常工作。模拟电路涉及弱小信号,但是数字电路门限电平较高,对电源的要求就比模拟电路低些。既有数字电路又有模拟电路的系统中,数字电路产生的噪声会影响模拟电路,使模拟电路的小信号指标变差,克服的办法是分开模拟地和数字地。
存在问题的根本原因是,无法保证电路板上铜箔的电阻为零,在接入点将数字地和模拟地分开,就是为了将数字地和模拟地的共地电阻降到最小,关于数模分割的处理,更多的学习教程可以搜索凡亿PCB进行获取,或者到官方学习论坛“PCB联盟网”进行下载学习。
1.68 PCB设计中区分模拟地与数字地的设计方法有哪些?
答:一般处理模拟地、数字地的方法有以下几种:
Ø 直接分开,在原理图中将数字区域的地连接为DGND,模拟区域的地连接为AGND,然后PCB中的地平面分割为数字地与模拟地,并吧间距拉大;
Ø 数字地与模拟地之间用磁珠连接;
Ø 数字地与模拟地之间用电容连接,运用电容隔直通交的原理;
Ø 数字地与模拟地之间用电感连接,感值从uH到几十uH不等;
Ø 数字地与模拟地之间用零欧姆电阻连接。
总结来说,电容隔直通交,造成浮地。电容不通直流,会导致压差和静电积累,摸机壳会麻手。如果把电容和磁珠并联,就是画蛇添足,因为磁珠通直,电容将失效。串联的话就显得不伦不类。
电感体积大,杂散参数多,特性不稳定,离散分布参数不好控制,体积大。电感也是陷波,LC谐振(分布电容),对噪点有特效。
磁珠的等效电路相当于带阻陷波器,只对某个频点的噪声有抑制作用,如果不能预知噪点,如何选择型号,况且,噪点频率也不一定固定,故磁珠不是一个好的选择。
0欧电阻相当于很窄的电流通路,能够有效地限制环路电流,使噪声得到抑制。电阻在所有频带上都有衰减作用(0欧电阻也有阻抗),这点比磁珠强。
总之,关键是模拟地和数字地要一点接地。建议,不同种类地之间用0欧电阻相连;电源引入高频器件时用磁珠;高频信号线耦合用小电容;电感用在大功率低频上。
1.69 PCB常用的Silkscreen、Soldmask、Pastmask的含义是什么?
答:Silkscreen,指的是PCB设计中的丝印,包括TOP与BOOTOM面的丝印,正反面的丝印刚好是镜像过的。丝印一般包括器件的外框丝印线、IC器件的1脚标识、位号字符、有极性器件的极性标识。
Soldmask,指的是PCB设计中的阻焊,包括TOP与BOOTOM面的阻焊,特别注意这个是这个是反显层,有的表示无的,无的表示有。就是PCB板上焊盘(表面贴焊盘、插件焊盘、过孔)外一层涂了绿油的地方,它是为了防止在PCB过锡炉(波峰焊)的时候,不该上锡的地方上锡,所以称为阻焊层(绿油层),我想只要见过PCB板的都应该会看到这层绿油的。Solder层是要把PAD露出来吧,这就是我们在只显示Solder层时看到的小圆圈或小方圈,一般比焊盘大(Solder表面意思是指阻焊层,就是用它来涂敷绿油等阻焊材料,从而防止不需要焊接的地方沾染焊锡的,这层会露出所有需要焊接的焊盘,并且开孔会比实际焊盘要大);在生成Gerber文件时候,可以观察Solder Layers 的实际效果。在Solder Mask Layer(有TopSolder 和BottomSolder)上画个实矩形,那么这个矩形框内就等于开了个窗口了(不涂油,不涂油就是亮晶晶的铜了!) solder Mask就是涂绿油,蓝油,红油,除了焊盘、过孔等不能涂(涂了不能上焊锡?)其他都要涂上阻焊剂,这个阻焊剂有绿色的蓝色的红色的。在画cadence焊盘时, solder Mask要比regular pad 大0.15mm(6mil)。
Pastmask, 指的是PCB设计中的钢网,包括TOP与BOOTOM面的钢网,这个是正显,有就有无就无。是针对表面贴(SMD)元件的,该层用来制作钢网(片)﹐而钢网上的孔就对应着电路板上的SMD器件的焊点。在表面贴装(SMD)器件焊接时﹐先将钢网盖在电路板上(与实际焊盘对应)﹐然后将锡膏涂上﹐用刮片将多余的锡膏刮去﹐移除钢网﹐这样SMD器件的焊盘就加上了锡膏﹐之后将SMD器件贴附到锡膏上面去(手工或贴片机)﹐最后通过回流焊机完成SMD器件的焊接。通常钢网上孔径的大小会比电路板上实际的焊小一些﹐通过指定一个扩展规则﹐来放大或缩小锡膏防护层。对于不同焊盘的不同要求﹐也可以在锡膏防护层中设定多重规则,系统也提供2个锡膏防护层﹐分别是顶层锡膏防护层(Top Paste)和底层锡膏防护层(Bottom Paste)在Paste Mask layers(有TopPaste 和BottomPaste)上画个实矩形,那么这个矩形框内就等于开了个窗口了,机器就此窗口内喷上焊锡了,其实是钢网开了个窗,过波峰焊就上锡了。
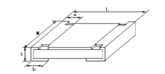
1.70 我们通常所说的0402、0603、0805、1206是怎么计算的?
答:这些常规的贴片阻容感的封装有九种,用两种尺寸代码来表示:一种尺寸代码是由4位数字表示的EIA(美国电子工业协会)代码,前两位与后两位分别表示电阻的长与宽,以英寸为单位。我们常说的0603封装就是指英制代码。另一种是米制代码,也由4位数字表示,其单位为毫米。贴片电阻封装英制和公制的关系及详细的尺寸如图1-46和表1-3所示,我们经常说的封装尺寸,像0402、0603等都是指的英制尺寸。
图1-46 常规贴片阻容感封装尺寸示意图
|
英制(inch) |
公制(mm) |
长(L)(mm) |
宽(W)(mm) |
高(t)(mm) |
a(mm) |
b(mm) |
|
0201 |
0603 |
0.60±0.05 |
0.30±0.05 |
0.23±0.05 |
0.10±0.05 |
0.15±0.05 |
|
0402 |
1005 |
1.00±0.10 |
0.50±0.10 |
0.30±0.10 |
0.20±0.10 |
0.25±0.10 |
|
0603 |
1608 |
1.60±0.15 |
0.80±0.15 |
0.40±0.10 |
0.30±0.20 |
0.30±0.20 |
|
0805 |
2012 |
2.00±0.20 |
1.25±0.15 |
0.50±0.10 |
0.40±0.20 |
0.40±0.20 |
|
1206 |
3216 |
3.20±0.20 |
1.60±0.15 |
0.55±0.10 |
0.50±0.20 |
0.50±0.20 |
|
1210 |
3225 |
3.20±0.20 |
2.50±0.20 |
0.55±0.10 |
0.50±0.20 |
0.50±0.20 |
|
1812 |
4832 |
4.50±0.20 |
3.20±0.20 |
0.55±0.10 |
0.50±0.20 |
0.50±0.20 |
|
2010 |
5025 |
5.00±0.20 |
2.50±0.20 |
0.55±0.10 |
0.60±0.20 |
0.60±0.20 |
|
2512 |
6432 |
6.40±0.20 |
3.20±0.20 |
0.55±0.10 |
0.60±0.20 |
0.60±0.20 |
表1-3 常规贴片阻容感封装尺寸表格
▼点击下方链接关注推荐公众号▼

觉得内容不错的话,点个在看呗
