
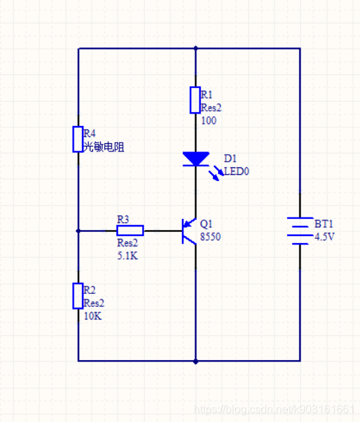
以及之前做的原理图:
接下来,自制封装
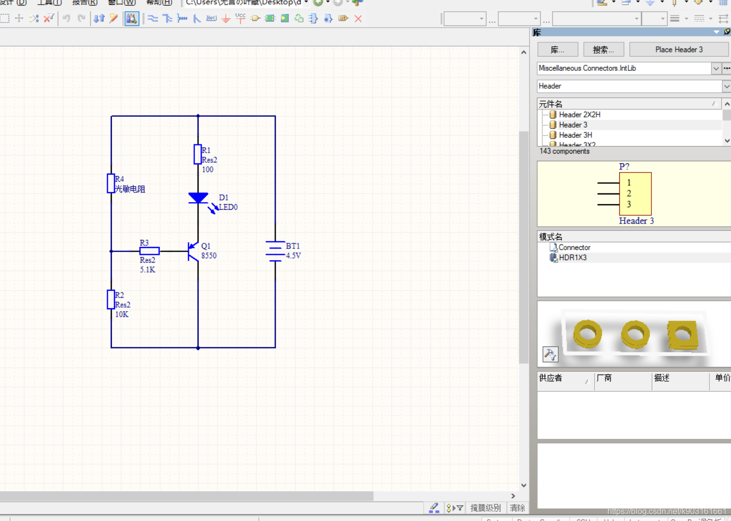
打开原理图,调出库,找到Header3
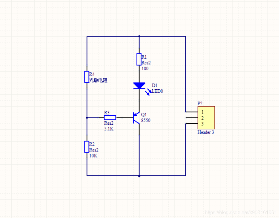
将其拖拽到并替换掉电池
记住1脚接正3脚接副(接地)2脚保持悬空即可
保存一下,然后添加新的PCB元件库
右键点击工程
添加PCB Library
保存一下
按G设置一下栅格(大概1mm即可)
没有中心定位的可以 E -> F -> L 进行设置
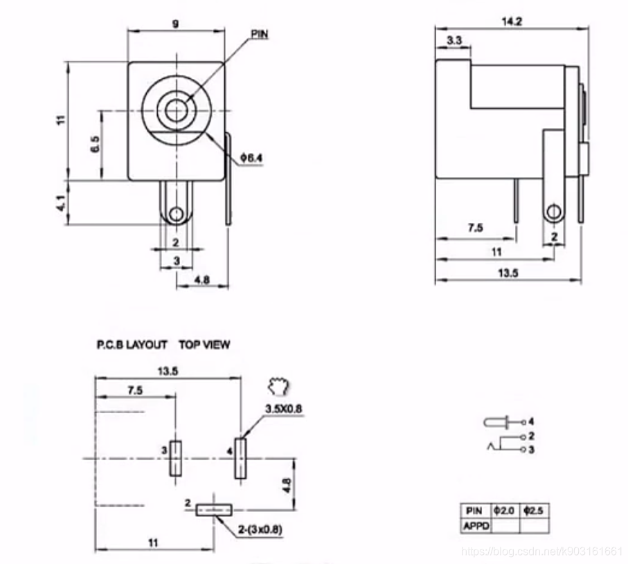
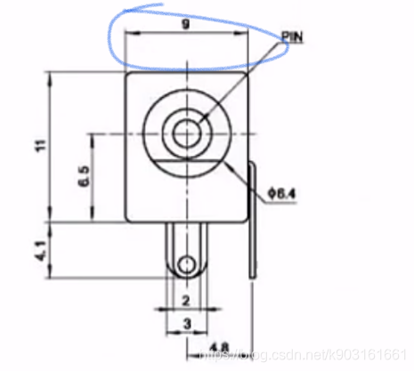
接下来对照PDF文档开始作图
先参考顶视图(上图左下角)找到参考点(比如所有元件到最左侧的那条线的距离都有标注,所以选它作为参考点/线)
先 切换 到顶层丝印层
P -> L 画上参考线
P -> P 放置焊盘,并按Tab对焊盘进行设置
Ctrl+Q或是右键点击右上角将单位mil换位mm
设置槽的尺寸0.8mm ,槽,长度为3.5mm
尺寸和外形x和y比前面的槽和通孔大1mm(左右各0.5mm)即可
对了,记得将下面那个设计者改为1
然后确认,进行粗略放置
由图可知,3号(脚)距离辅助线是7.5mm
然后GG(双击)将栅格调整为7.5mm(便于设置距离)
同理,对另外两个进行设计
使用栅格来设定位置更加直观高效
调整了一下距离后发现通过栅格调整无法同时调节xy方向
故而在选中元件(2号)时按M,然后选择通过X/Y调节
调节完成
焊盘画完接着画轮廓
…基本和CAD有异曲同工之处…
双击黄色参考线调节其初始和结束的y值,将其长度改为9mm
由于长为14.2mm,所以先将栅格调节为14.2mm
然后再将长度为9mm的参考线 复制粘贴 下
PS: Ctrl+C后需要先选择复制相对的参考点再进行复制,一般选择其几何中心
再将其连接成一个完整的矩形
关于这些东西到底出现在哪个层,可以在下面自由选择
而至于焊盘,则无需考虑这个问题,因为这货贯穿整个板子,哪里都能看见…
保存一下,
将其导入到PCB的图中
首先,为了方便看
先给它改个名字
就这个.
双击,赐名为DC21.
再保存一下
然后在原理图中修改,这样在转成PCB时会自动生成这个封装
T -> G 打开封装管理器
选择Header 3 再选择其封装进行编辑
选择any
然后浏览,就会发现刚才的DC21
也可以检查一下对应关系
至于这个…看上去重叠的标注线和焊盘…
其实没必要在意,大多数情况下对实际无影响
不过手工做板时需要避免此 类 问题(稍后进行修改)
采纳变化.执行更改 生效更改 显示错误…
保存.关闭PCB文档.重新打开PCB文档(设计 -> Update)
.执行更改 生效更改 显示错误…关闭
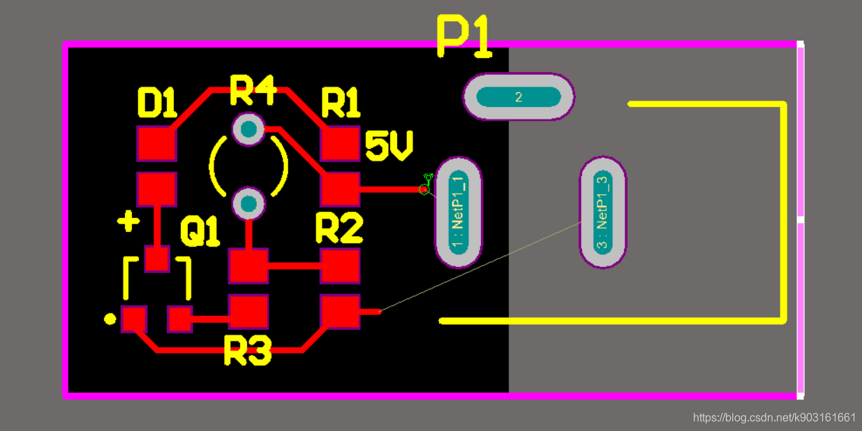
如下图
明显,存在绿色的警告
接下来进行修改
先把栅格改小点(大概25mil)
删掉右边的线
左边的线可以用编辑 -> 切断轨迹
结果如图
保存一下
然后右键更新 确定
改完后的PCB如图所示
现在问题就变成的板子的大小不够了,需要改一下
调整位置
并重新定义板子形状(DSR)
拖动线,连接电源正负极
保存,检查(设计 -> 规则检查)
无报错
按 3 键查看3d效果(Shift+拖动右键旋转)
视频 链接 : https://www.bilibili.com/video/BV1pt411p7jg?p=7
免责声明:本文系网络转载或改编,未找到原创作者,版权归原作者所有。如涉及版权,请联系删