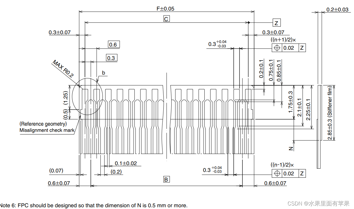
我们以广濑FH35C-51S-0.3SHW(50)的连接器为案例进行设计,这个连接器的金手指封装是比较复杂的封装了,可以下图看出其金手指有四种不同的形状,每种形状都要重新 绘制,并且按需排列,像这种金手指封装在绘制时一定要多注意尺寸关系,而且非常容易出现错误。我一般的做法是子啊cad软件上先画出每种封装的尺寸关系,在画异形焊盘的时候就可以通过 命令行 逐行写入位置坐标,这样的画不容易出错,而且效率也能提高一些。letsgo。
因为封装比较复杂我是现在 solidworks 中绘制了所有焊盘的形状,如下图,这个地方没什么好说的,按照图纸给的尺寸换就好了。这步骤没有在CAD中或者ALLEGRO中直接画的原因是我认为那样不顺手,而且SW软件比较友好,画起来比较快。
有些圆角没有画,是因为我还要导入到CAD软件中绘制,这样的话就不会出现CAD将其圆角圆弧化的问题了,也是一个注意的细节。
在CAD软件中找出那四种的焊盘封装,并进行闭合处理,闭合也可以在allegro软件内做。
OK我们开始画第一个异形的引脚。
首先新建一个shape symbolb并保存。
将上步骤处理好的图形就可以导入到allegro软件中了,注意我这里导入的涂层是ETCH->TOP层,我试了其它层都没成功,不知道啥原因,有可能是绘制焊盘的封装一定要导入到这个层下来。
进入后选择导入DXF文件。

删除其他不要的线。这里需要封闭 模型 ,就会生成了一个引脚图形了。这是第一个。这个地方还要注意原点坐标最好放置在中间下部的地方,这样你在生成封装后走线时就在引脚内部,靠下是因为你在走线时会干涉到其他引脚,因为中间部分比较细。

后面三个按照以上步骤绘制。


OK,以上四个引脚已经全部画好了。保存退出,打开Padstack Editor软件。
开始制作第一个焊盘的引脚,在Design Layers下的Shape symbol选择你要的引脚。并保存。这里不需要添加阻焊和助焊,当然你添加也行,我的做法是,都不添加,而是在绘制整体封装的时候增加阻焊窗,应为金手指是都要开窗的。如果你要是在这里想要添加的话,就在mask layers下对应的阻焊位置还是选择这个图形,或者你在重画外扩尺寸的引脚,我在这里就偷懒了。如下图所示。



以上次引脚的单个疯转已经完成了,接下来绘制绘制 整体的 疯转图。
首先allegro软件新建一个 package symbol并保存。
依次将上部画好的引脚放入
全部放入后如下图所示。注意引脚的序号和位置不能有错误。
如果绘制的过程中引脚有错,可以通过Text修改。
接下来添加丝印,位号,areas,阻焊等。详情请参照我之前写的一个如何制作封装文档。
其实丝印的话外框可以不添加,因为整个金手指的前段全部是FPC线的外围,如果你想添加的话,那么建议只是在金手指的后方添加一条直线,标记加强版的位置即可(你也可以不舔家)。如下图所示。
添加位号。
添加areas,并赋予高度值。高度值可以不赋值,应为金手指本身没有高度。
增加阻焊
导入到layout实际看看效果。绘制完成。
以上,仅用于个人学习,不能用于商业
免责声明:本文系网络转载或改编,未找到原创作者,版权归原作者所有。如涉及版权,请联系删