Capture 与 Mysql 数据连接
前面已经 搭建好 Mysql 数据库了
1.安装 MySQL 的 ODBC 驱动
驱动分为 32位 与 64 位 自行选择安装
ODBC 驱动 下载 : 网盘下载


2.打开 Library.exe 登录
登录完成
单击 设置 按钮
进入设置界面
单击 ODBC 数据源添加

双击打开 ODBC 数据源(64 位) 或 ODBC 数据源(32 位)

选择 系统 DSN 后 添加
选择 MySQL ODBC 8.0 ANSI Driver 后 点击 完成
填写 MySQL 连接的 信息 
点击 Tset 测试连接
连接正常!
在此 Mysql 添加 ODBC 完成!
在 Library.exe 软件 的设置里 设置好你的 Capture 与 Allegro17.2 安装路径
选择安装 OrCAD 脚本 

打开 Capture 添加 MySQL数据库
选择 带有 CIS 字样 的版本进入
进入 Capture 后 选择添加 数据库
选择 NEW… 添加数据库

下一步 并选择 你 在 ODBC 添加好的 MySQL 数据库
选择数据库 表的 器件 后下一步

在下一步
到此处时 勾选 封装 在下一步
到此处 勾选 器件 各项 信息 (我是全勾选的)
到 此处后 勾选 资料路径 与 封装路径 其余的不用勾选
到此处 后我 勾选 了 参数 电压 电流 误差 PCB封装 (可以按需要勾选)

到 此处 只勾选 参数(其余的不需要勾选)点击完成
到了 此界面直接 点击 确定就好
保存你的 DBC 配置
到此界面 点击 OK添加 完成!
回到 Library.exe 软件的 配置 界面 填写 DBC配置文件 存放 的路径 并保存

到此 MYSQL数据库 已经连接完成
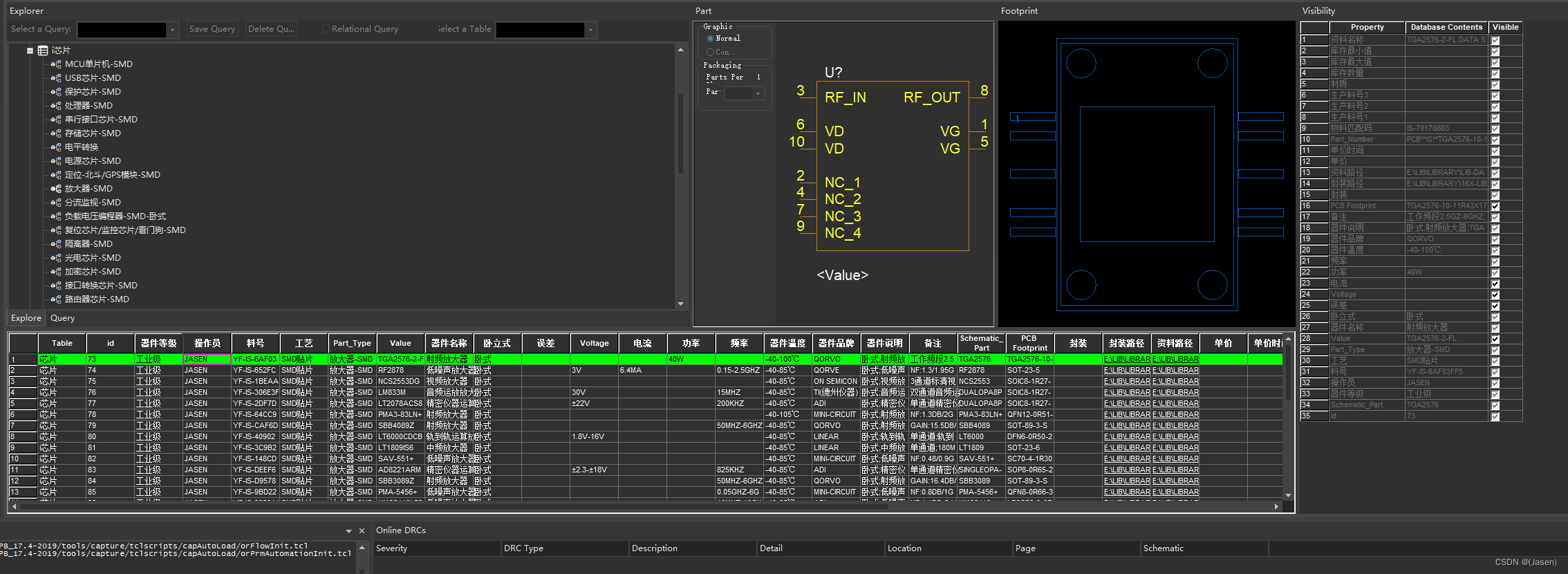
下图 看看效果吧!o( ̄︶ ̄)o


补充 说明下 再装 了ORCDA 的脚本
在 运行栏目 输入 yx 后 在输入 cx 可查看脚本 功能
免责声明:本文系网络转载或改编,未找到原创作者,版权归原作者所有。如涉及版权,请联系删