 
    1.各種塑膠材料肉厚設計範圍
 
    
2.孔與孔間及孔對孔邊距離規定
 
    
3.脫模斜度一般規定
 
    
4.縱肋設計規範
 
    
5.外肋設計規範
 
    
6.SCREW BOSS 設計規範
 
    
7.小孔及配合孔偏心防止
 
    
8.内外圓角設計規範
 
    
9.SINGLE & MUTIPLE RIB DESIGN
 
    
10.GUSSETS DESIGN
 
    
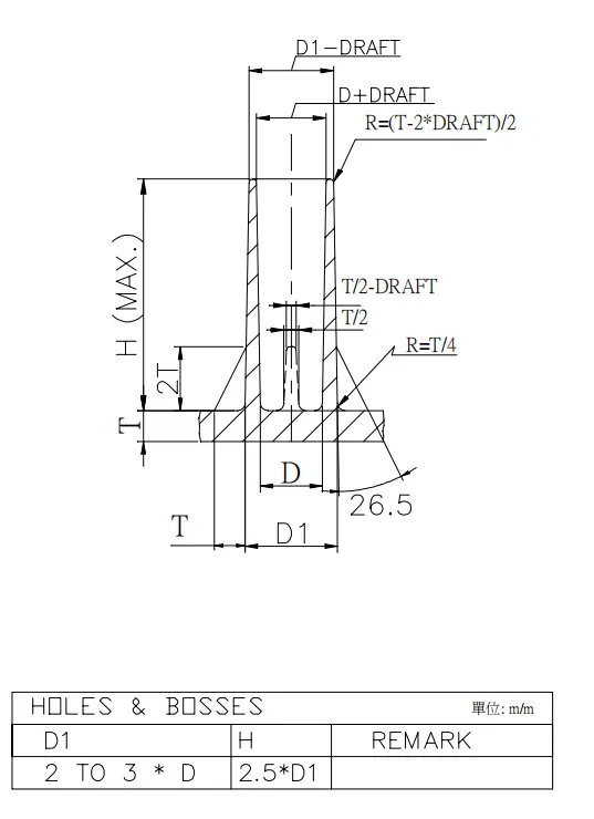
11.HOLE & BOSS DESIGN
 
    
12-1.超音波熔接設計
 
    
12-2.超音波熔接設計.
 
    
12-3.超音波熔接設計
 
    
12-4.超音波熔接設計
 
    
13.常用扣合方式(REFERENCE)
 
    
14.INSERT 設計規範
 
    
15.熔接效率及材料選配
 
    
16.POWER KNOB 錯裝防止 SPRING BASE DESIGN
 
    
17.HOOK DESIGN
 
    
18.LENS 遮光及 BOSS 錯裝防止
 
    
19.長跨距 RIB 設計規範
 
     
    