参考文献 :
基于热电 类 比理论的油浸式电力变压器热点温度计算模型_刘兴鹏.caj
基于顶层油温的 变压器 绕组热点温度计算改进模型_陈伟根.caj
大型油浸风冷变压器绕组温度场分析_高原.caj
油浸式变压器绕组热点温度计算 模型 及预测方法研究_苏小平.caj


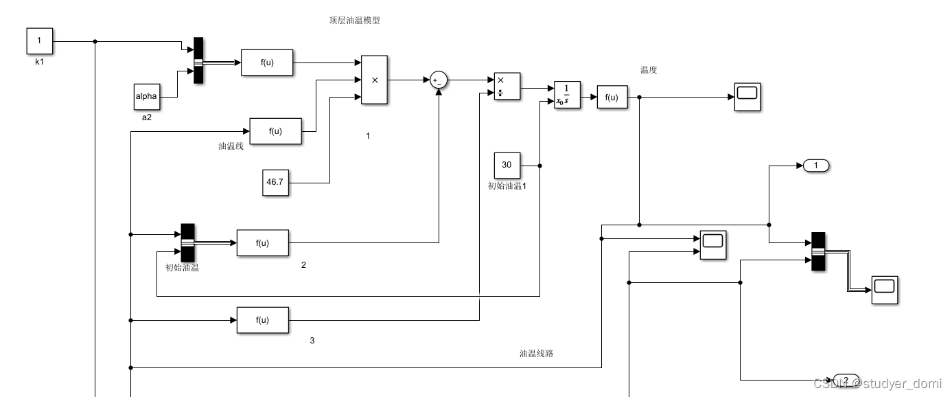
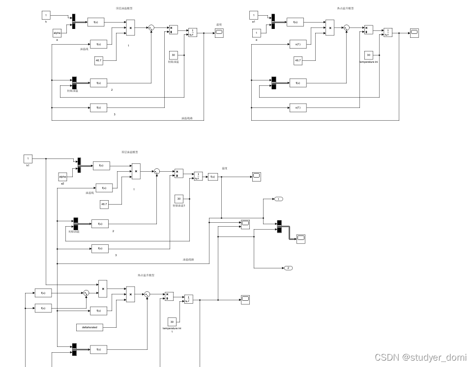
clear,clc
n = 0.25;
segma_a = 30;%环境温度
alpha = 5.6749;
taooilrates = 6000;
pcudcpu = 0.10;
pcueddypu = 0.06;
deltahsrated = 30;
taowdgrates = 500;
gain = 1;
sim ('simu.mdl');
t = tout / 60;
h=plot(t,yout(:,1),t,yout(:,2));
ylim([20 100])
legend('顶层油温仿真值','热点油温仿真值')
xlabel('时间 t/min','FontSize',12);
ylabel('温度 T/\circC','FontSize',12);
set(h,'LineWidth',2);
set(gcf,'color','white');
grid on

技术交流和技术支持
免责声明:本文系网络转载或改编,未找到原创作者,版权归原作者所有。如涉及版权,请联系删