许可优化
许可优化
产品
产品
解决方案
解决方案
服务支持
服务支持
关于
关于
软件库
当前位置:服务支持 >  软件文章 >  06-大基建系统工程与数字孪生全攻略 F-功能分析 | 达索系统百世慧®

06-大基建系统工程与数字孪生全攻略 F-功能分析 | 达索系统百世慧®

阅读数 649
点赞 0
article_banner

序言

本系列文章将致力于阐述系统工程与数字孪生在大型基础设施数字化转型中的应用与实践。笔者核电人出身,故文章逻辑与案例将以核工业作为牵引,用来阐述广义上大基建行业数字化转型与传统制造业的区别,以及其价值(Why)、工作内容(What)、解决方案(How)与实施方法(How to)。

接前文

5-大基建系统工程与数字孪生全攻略 R-需求工程 | 达索系统百世慧®

对应的周期与方案定位

06-大基建系统工程与数字孪生全攻略 F-功能分析 | 达索系统百世慧®的图1

做什么

如本系列开卷第一回所述,系统工程(SE - System Engineering)是处理复杂项目的规划、研究、设计、制造、测试和运营的方法,按照正向设计的逻辑(非翻版或逆向),核电新型号等大型复杂基建项目的研发与设计工作需通过R-F-L-P的流程去实现。

如果您不希望做出的所谓“数字孪生”只是个用来查查几何碰撞的“空壳子”,那就需要承接前文的R-需求工程去实现F-功能架构和分析,用于满足需求、仿真系统行为以及动态多物理场。

CATIA-Dymola (Dynamic Modeling Laboratory - 动态建模实验室)作为行为仿真APP集成在3DEXPERIENCE平台中,应用Modelica建模语言同时符合FMI接口标准(Functional Mock-up Interface)。

06-大基建系统工程与数字孪生全攻略 F-功能分析 | 达索系统百世慧®的图2


价值是什么

用于支持先进MBSE(基于模型的系统工程)的功能架构,实现稳健的系统安全性分析并强化风险管理;同时连接上游需求工程(R),实现基于未来运行需求来定义的系统规格书、并以施工和运行目标来驱动的初步设计。

为大基建项目设计和升级做长周期的数据管理,提升数据质量和可复用性;尽量在前期仿真迭代以减少后期不必要的设计变更,节省设计与施工工期。

06-大基建系统工程与数字孪生全攻略 F-功能分析 | 达索系统百世慧®的图3

怎么做

1. 功能架构 (Functional Architecture)

06-大基建系统工程与数字孪生全攻略 F-功能分析 | 达索系统百世慧®的图4

定义并优化系统架构,尽量减少子系统间的互依赖关系,充分利用需求管理和验证测试来简化映射:

  • 实现功能分析(functional analysis)

  • 给系统功能(functions)分配需求(requirement)

  • 管理所有内部和外部的功能接口( functional interfaces)

  • 进行权衡研究以确定最佳方案

  • 实现系统层级的KPI自动生成

06-大基建系统工程与数字孪生全攻略 F-功能分析 | 达索系统百世慧®的图5
06-大基建系统工程与数字孪生全攻略 F-功能分析 | 达索系统百世慧®的图6

2. 行为建模与仿真

  • Dymola应用Modelica语言实现行为建模和仿真动态系统,其优势体现为:

  • 多专业仿真 - 跨专业定义和仿真“由诸多工程领域的物理组件”所构成的模型;

  • 直观化建模 - Dymola的图形编辑器和多专业模型库使建模快速且易上手;

  • 开放灵活 - 基于Modelica的开放环境,对外部建模工具都配有其专属的导入方案

06-大基建系统工程与数字孪生全攻略 F-功能分析 | 达索系统百世慧®的图7
06-大基建系统工程与数字孪生全攻略 F-功能分析 | 达索系统百世慧®的图8
06-大基建系统工程与数字孪生全攻略 F-功能分析 | 达索系统百世慧®的图9
06-大基建系统工程与数字孪生全攻略 F-功能分析 | 达索系统百世慧®的图10
06-大基建系统工程与数字孪生全攻略 F-功能分析 | 达索系统百世慧®的图11

3. 关于FMI标准

Functional Mock-up Interface (FMI)是一种开放的、独立于工具的标准,支持使用xml文件和编译的C语言组合进行动态模型交换和协同仿真。

06-大基建系统工程与数字孪生全攻略 F-功能分析 | 达索系统百世慧®的图12

4. 关于商用模型库

a. 工业流程系统库- Systems Industrial Processes Library (PRZ):用于仿真流程工业的动态行为,解决有关流程工业的控制策略、生产计划、操作员培训和控制系统代码测试等问题;可建立复杂工艺流程的动态模型;适用于检测设备的瞬态行为、进行操作员培训或验证控制系统代码;可实现库的模块化扩展。

06-大基建系统工程与数字孪生全攻略 F-功能分析 | 达索系统百世慧®的图13
b. 热工系统库- Systems Thermal Library (TIZ):为热工系统提供了通用的模型,一方面可对单个组件进行详细的建模和计算;另一方面模型适合于大型复杂系统的设计和优化,如混合循环制冷、热泵和热吸附式系统。
06-大基建系统工程与数字孪生全攻略 F-功能分析 | 达索系统百世慧®的图14
c. 电气系统库- Systems Electric Power Library (EWZ):交流电路相量图描述,可仿真供电系统(交流平衡/不平衡、直流、混合)。
06-大基建系统工程与数字孪生全攻略 F-功能分析 | 达索系统百世慧®的图15
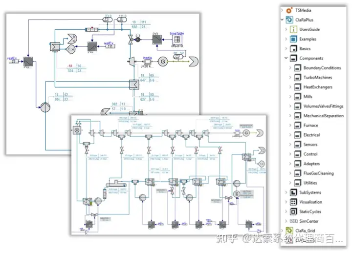
d. 克劳修斯-朗肯循环系统库- Systems ClaRa+ Library (CRZ):支持发电厂的数字孪生模型,调查瞬态行为并获取更多信息以优化流程,用于在未来的能源市场获得竞争力。包含完整的电厂设备、控制系统和电网模型,同时支持项目的不同阶段,如概念设计、组件设计、仪控技术优化、虚拟调试和运行优化。
06-大基建系统工程与数字孪生全攻略 F-功能分析 | 达索系统百世慧®的图16
e. 流体动力系统库- Systems Fluid Power Library (FPZ):支持对水力系统进行建模和仿真。
06-大基建系统工程与数字孪生全攻略 F-功能分析 | 达索系统百世慧®的图17

f. 暖通空调系统库- Systems HVAC Library (HVZ):支持分析不同的系统布局,并比较任何参考期的一次能源消耗、二氧化碳排放或能源成本;快速分析成本优化的系统布局和供热及制冷设备等场景;可用于大型热工-水力系统的优化。

06-大基建系统工程与数字孪生全攻略 F-功能分析 | 达索系统百世慧®的图18

如何落地实施

如果您希望深入了解主数据模型的详细架构、节点上需要挂的数据类型、以及和业务流程如何映射等具体事宜,请留下您的联系方式与业务需求,我们的工作人员会与您取得联系,并为您提供“业务价值驱动的数字化转型咨询服务(Value Engagement)”

06-大基建系统工程与数字孪生全攻略 F-功能分析 | 达索系统百世慧®的图19

关于百世慧

成都百世慧科技有限公司(简称百世慧)是一家新兴高科技企业,百世慧致力于向汽车、工业装备、能源与材料、生命科学、基础设施等行业提供先进的数字化产品研发软件(Catia、Simulia、Enovia等)、系统以及解决方案,为客户提供多渠道支持获取方法,全天候响应用户问题,提供现场、远程等多手段支持,保障用户应用价值。


免责声明:本文系网络转载或改编,未找到原创作者,版权归原作者所有。如涉及版权,请联系删

武汉格发信息技术有限公司,格发许可优化管理系统可以帮你评估贵公司软件许可的真实需求,再低成本合规性管理软件许可,帮助贵司提高软件投资回报率,为软件采购、使用提供科学决策依据。支持的软件有: CAD,CAE,PDM,PLM,Catia,Ugnx, AutoCAD, Pro/E, Solidworks ,Hyperworks, Protel,CAXA,OpenWorks LandMark,MATLAB,Enovia,Winchill,TeamCenter,MathCAD,Ansys, Abaqus,ls-dyna, Fluent, MSC,Bentley,License,UG,ug,catia,Dassault Systèmes,AutoDesk,Altair,autocad,PTC,SolidWorks,Ansys,Siemens PLM Software,Paradigm,Mathworks,Borland,AVEVA,ESRI,hP,Solibri,Progman,Leica,Cadence,IBM,SIMULIA,Citrix,Sybase,Schlumberger,MSC Products...

相关文章
QR Code
微信扫一扫,欢迎咨询~
customer

online

联系我们
武汉格发信息技术有限公司
湖北省武汉市经开区科技园西路6号103孵化器
电话:155-2731-8020 座机:027-59821821
邮件:tanzw@gofarlic.com
Copyright © 2023 Gofarsoft Co.,Ltd. 保留所有权利
遇到许可问题?该如何解决!?
评估许可证实际采购量? 
不清楚软件许可证使用数据? 
收到软件厂商律师函!?  
想要少购买点许可证,节省费用? 
收到软件厂商侵权通告!?  
有正版license,但许可证不够用,需要新购? 
联系方式 board-phone 155-2731-8020
close1
预留信息,一起解决您的问题
* 姓名:
* 手机:

* 公司名称:

姓名不为空

姓名不为空

姓名不为空
手机不正确

手机不正确

手机不正确
公司不为空

公司不为空

公司不为空