第四代HV动力控制单元(PCU-Power Control Unit)重新开发,如图1所示。PCU与前一代相比,进一步减小了尺寸,减少了重量和电子能量损耗。本文阐述了第四代混合动力系统PCU的具体技术生成和改进。

图1 第四代混合动力PCU外形
二、PCU规格和结构
1.高压系统规格
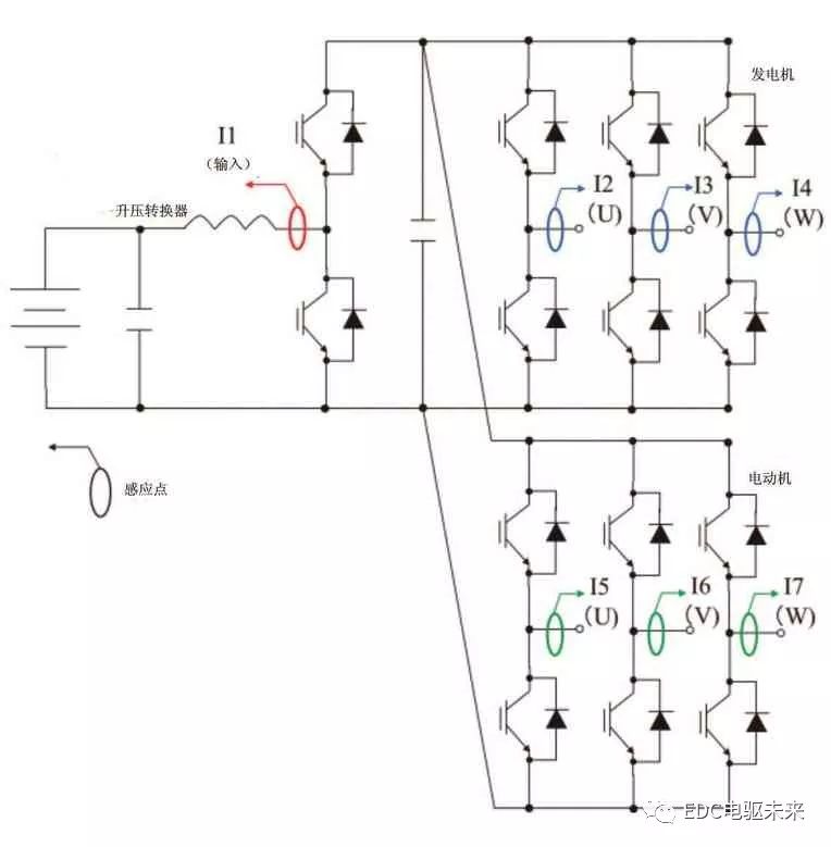
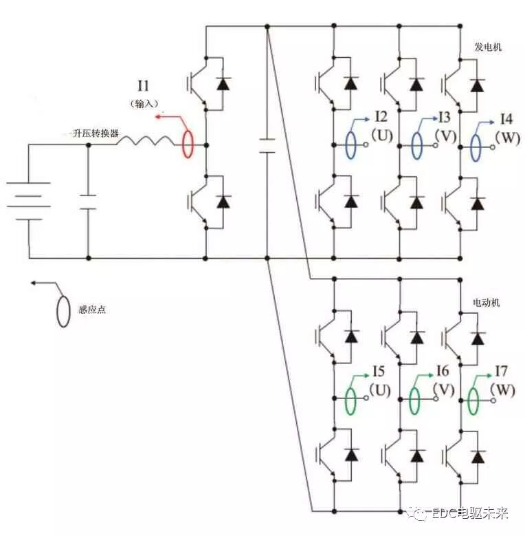
新混合动力系统组成与配置如图2所示。该基本配置与之前的型号相同。但是,一个主要的改变是将辅助电池的安装位置移至了发动机室,这样能够改善行李箱面积和更低汽车的重心。混合动力系统电池安装位置如图3所示,HV系统规格如表1所示。
表1 HV系统规格

燃料通过以下项目提高效率约18.2%(JC08):
· 提高汽油发动机的热效率;
· 减少高压系统组件的电子损耗;
· 通过提高驱动电机的运行速度减小电机工作电流。

图2 第4代HV系统的组成框图
2.PCU安装
遵循TNGA概念,PCU安装空间并非针对每种车型独立开发,而是考虑到许多型号的应用。因此,PCU直接安装在变速驱动桥(T/A-Transaxle)上,如图4所示。

图3 第四代HV蓄电池安装位置

图4 第四代PCU安装
除了上述之外,这种安装的优点如下:
(1)减少高压电缆的长度(轻量);
(2)简化支架(缩小尺寸和轻量化);
(3)坚固了前碰撞损坏导致的PCU绝缘劣化问题。
将PCU直接安装在T/A上的主要技术问题是发动机振动传递到PCU,为解决此问题,采用以下结构:
(1)为减少传递的振动,在支架上添加橡胶衬套;
(2)为了承受振动,信号连接端子采用了耐振型吸收结构;
(3)采用高抗电振动的电子部件;
(4)为了最大限度地减少共振,电路板使用弹性垫圈以窄间距安装,以减少高刚度外壳的应力。
3.PCU规格
尽管PCU尺寸减小导致总功率输出降低,但最大输出功率密度比上一代提高了大约50%,如图5所示。

图5 PCU功率密度比较
通过减少部件重量和体积来实现高功率密度输出。根据PCU结构的优化,体积减少了33%,质量减少了12%,如表2所示。
表2 PCU规格

主要改进项目如下:
(1)采用双面冷却电源模块;
(2)通过改进的升压转换器可控性降低电容器的电容;
(3)由于低电感结构降低了电压浪涌,去除了缓冲电路。
4.PCU结构
PCU结构如图6所示。PCU由发电机/电动机电源模块,升压转换器和DC/DC转换器组成。新的PCU结构改善了车型之间的适用性,并且比前几代产品缩小了尺寸。

图6 PCU结构
由于采用了新的电源模块,PCU比以前的型号具有更好的适用性。电源模块的双面冷却结构如图7所示。

图7 第4代PCU电源模块冷却结构
与上一代使用的单面冷却结构不同。双面结构改善了车辆平台之间的冷却结构的适用性。双面结构堆叠量的可调节性以适应各种车辆尺寸。所以我们称这个组件为Power Stack(P/S)。P/S由卡片式电源,冷却器,导热硅脂涂层,绝缘板,压缩弹簧和垫片组成。卡片式电源(P/C-Power Card)是树脂封装,包括IGBT(Insulated Gate Bipolar Transistor绝缘栅双极晶体管),FWD(Free Whee ling Diode续流二极管),散热片和端子。P/S有一个问题是,将功率器件集成到电源卡片中,单位面积的热量通常会增加。然而,通过改善P/S的双面冷却结构的传热效率来减轻该问题。
新PCU与前几代相比,通过功能集成以缩小部件尺寸。例如,线束(W/H-Wiring Harness)与每个部件集成在一起。紧固结构从螺栓紧固变为焊接,紧固结构的零件的数量减少了67%。需要螺栓固定,用的螺栓直径尺寸也有所减小。并且,这些改变改善了可制造性使PCU的尺寸减小。通过上述改进,PCU的体积减少了33%,如图8所示。

图8 新旧型PCU的比较
三、组件轻量化和小型化的新技术
在本章中,我们将讨论PCU结构和组件的轻量化及小型化的新技术。
1.电源模块
如图9所示是采用单面冷却方法的第三代功率模块的结构。模块由IGBT、FWD、绝缘板和冷却板组成。通过不中断冷却介质来改善冷却性能。但是该模块的开发并不适用于各种车型,而仅适用于紧凑型车辆。因为IGBT和FWD在单面冷却方法中采用平面安装。因此,如果我们采用这种方法用于高输出车辆,则体积会变得太大。因此,在第四代,我们决定采用带有双面冷却模块的堆叠结构,使得功率半导体的小型化,实现了冷却性能的提高和各种车型的应用。

图9 第3代PCU电源模块单面冷却示意图
2.第四代PCU2合1双面冷却模块功率器件
第四代PCU2合1双面冷却模块功率器件的连接如图10所示,传统的双面冷却结构是1in1结构,是带有IGBT和FWD密封封装。作为第四代结构,新开发了2in1结构,由上下臂的2对IGBT和FWD组成(译者注:每个功率卡片包含两个IGBT芯片和两个续流二极管组成一个半桥。7个功率卡片式IGBT模组分别对应升压转换电路所需的一个半桥,以及电动机和发电机所需的共六个半桥)。并且模块化设计允许安装的P/C模块的数量根据车辆应用而变化。对于低输出车辆应用,可以安装更少的P/C,从而减少电感并减少部件数量。对于高输出车辆,我们可以增加P/C的数量,以允许高输出电流。P/C的2in1结构模块设计提供了将PCU应用于各种车型的灵活性。作为2in1结构在制造过程实现方法,我们考虑了如图11所示横截面所示的U结构和N结构。

图10 功率器件的连接示意图

图11 实现2in1电源卡片的结构方法
U结构在物理尺寸,电感和部件数量方面具有优势。因为上臂的发射极和下臂的集电极集成在一个共同的散热器(O)上。然而,铜垫片上焊料熔化所累积公差的控制是一个问题。在U结构中,上臂和下臂的IGBT安装方向相反。关注的是制造过程中IGBT周围的焊料溢出质量很难控制。而N结构存在连接在上臂和下臂之间以及下臂和N端子之间的焊点可靠性的问题。然而,采用N结构是因为我们通过重复的热应力试验和控制高电流密度的电迁移限度以及其他因素充分证实了焊点的可靠性。图12和图13显示了第四代2in1 P/C和P/S的结构。与输出性能相同的1in1结构相比,我们通过消除上下臂之间的连线,实现减小物理尺寸22%和P和N端子之间电感减少55%。

图12 第4代2in1电源卡外形和内部结构
3.控制电路板
控制电路由“MG-ECU”(电动机/发动机电控单元Motor/Generator Electronic ControlUnit和“智能功率模块(IPMIntelligent Power Module)的控制电路”组成。MG-ECU使用传感器信号和HV主ECU的请求计算IGBT的控制信号。IPM的控制电路包含IGBT驱动电路和IGBT保护电路,以防止短路或过热。在第四代设计中,我们将控制电路整合到一块电路板中。此外,采用混合工艺制造高密度电路板。通过控制电路板设计的改进,减少了电子器件和总电路板面积。另外微控制器和电抗器电流检测也在控制电路中得到改善。一种新型的微型计算机可实现高速处理电机控制,从而减少能量损失。电抗器电流传感器还提高了可控性并减小了电容器模块的尺寸。

图13 第4代PCU电源模块总成结构
4.电抗器
在第四代设计中,电抗器所需的特性是在整个正常工作区域内电感的稳定性和质量的减少。以下项目有助于质量减少和缩小尺寸,如图14所示。

图14 电抗器的结构
(1)提高升压变换器的控制速度,减少铁心间隙量。
(2)为提高抗振动耐久性,电抗器支撑采用一体化的模铸结构。此外,电抗器使用传热片代替硅树脂封装来限制过热。
5.电容器
电容器模块由平滑电容器和滤波电容器组成,如图15所示。这些电容器的每个功能是平滑电机的输出电压和电池的输入电压。此外,为了减小功率半导体的尺寸,需要串联低等效电感(ESL-Equivalent series inductance)。在第四代电容器模块中,通过减少组成部件和功能集成来实现小型化和低ESL。首先,3相母线与平滑电容器集成在一起,如图16和图17所示。接下来,平滑电容器和滤波电容器分成单独的模块,如图18所示。滤波电容器模块也与信号线连接器集成在一起,使线束显着减少。由于半导体开关控制的改进,实现了电容的减小。此外,采用新开发的更薄的聚丙烯薄膜,为电容器进一步缩小尺寸。总的来说,电容器模块的改进不仅减少了质量和体积,还减少了34%的电容和ESL减少了58%,如图19所示。

图15 电容器模块电路组成

图16 第四代PCU电容器的功能集成

图17 电容器结构比较

图18 平滑电容器和滤波电容器独立结构图

图19 新旧型电容器性能比较

图20 电流传感器的检测点

图21 电流传感器的集成结构
6.电流传感器
在第四代PCU中,增加了电流传感器的功能,以加速升压转换器的控制。PCU可以检测升压转换器的输入电流和电动机/发电机逆变器的输出电流,如图20所示。
这使PCU能够减少系统高压的变化。随着高压变化率的减小,逆变器电容器的电容也随之减小。第4代电流传感器能够逐个单元检测电动机,发电机,升压转换器的电流。这种改进导致体积和质量的减少。这些改进是通过以下方式实现。
(1)电流传感器和输出端子的合成在一起,减少了部件安装空间,如图21所示;
(2)对于霍尔效应传感器,集成了霍尔元件和IC检测电路,因此,可以减少电子设备和电路板的尺寸。
7.DC/DC转换器
在混合动力系统中,用直流转换器(DC/DC转换器)代替汽油发动机车辆的交流发电机作为辅助电源装置。下面描述新DC/DC转换器的改进。为了使PCU直接安装在T/A上,PCU的每个部件都必须减小尺寸和质量。如果我们采用传统的母线的电路连接方法,尺寸和重量将变得太大。因此,拆除了母线连接,采用新开发了厚铜箔电路板。将DC/DC转换器电子器件直接安装到电路板上,以达到尺寸和质量要求。如图22所示。采用冲压工艺代替蚀刻工艺,在厚铜箔上实现精确的电路图形。
四、降低元件电子损耗的新技术
在本段中,我们介绍能够降低PCU中电损耗的新技术。图23所示为PCU的电子损耗的比较。
第四代PCU电子损耗减少了22%。有助于减少电子损耗的主要项目如下。IGBT,FWD和低电感结构。

图22 厚铜箔电路板外观图

图23 新旧型PCU电子损耗的比较

图24 SBL低损耗IGBT结构
在第四代PCU设计中,开发了新的IGBT技术来驱动电动机和发电机。第四代PCU的IGBT基于第三代IGBT,但新开发的低损耗结构,称为超体层(SBL-Super Body Layer)。采用沟槽栅极和薄板技术研制了SBL。如图24所示,与第三代PCU的IGBT相比,通过改善电导率调制效应来减小导通电阻(稳态损耗),因为,在P型半导体中引入N型势垒层(SBL),从P集电极层注入的载流子很难穿过发射极侧,因而聚集在P基区层下,结果,发射极侧空穴密度增加。将稳态损耗降低的性能提升了16%,而没有开关损耗的恶化,如图25所示。

图25 IGBT损耗改善数据
五、结论
• 第四代HV是第一款采用TNGA的车型,拥有新开发的PCU。PCU减少了它的尺寸和重量。
• 将PCU安装在T/A上,减少电缆和支架尺寸。
• 采用模块化2合1P/C结构,具有双面冷却和堆叠能力。
• 引入轻量化技术并缩小控制电路板,电抗器,电容器模块,电流传感器和DC/DC转换器的尺寸。
• 改进的传感器和微型计算机更快的处理,能够改善高压的可控性(允许电容器缩小尺寸)。
• 功能集成组件以减少线束。
• PCU通过引入新的低损耗IGBT,实现了电能损耗的改善。综上所述,与前几代PCU相比,第四代PCU的尺寸,重量和电子能量损耗都有所减少。改善PCU的努力有助于丰田第四代HV高燃油效率,同时改善令人愉悦的驾驶体验。