现如今,无线电技术新兴起一种名叫超宽带(UWB)无线技术,这种技术发展非常迅速,并且有望在低功耗、短距离无线应用上广泛普及。目前,UWB技术已经迅速成为无线USB 和短程探地雷达等应用的领导技术。UWB无线电不同于传统窄带无线电,拥有大量的专用测试需求。巨大的信号带宽、窄脉冲和接近热噪底的瞬态功率频谱密度(PSD),使得 UWB 测试起来非常困难。泰克在UWB测试上为业界提供了比较简单有效的解决方案。下面小编给大家展开来细说。
什么是超宽带(UWB)技术?
根据百度解析,超宽带技术(UWB,Ultra Wide Band)技术是一种新型的无线通信技术。它通过对具有很陡上升和下降时间的冲激脉冲进行直接调制,使信号具有GHz量级的带宽。超宽带技术解决了无线电多年以来对信道衰落不敏感、发射信号功率谱密度低等问题的解决,同时包括如低截获能力、系统复杂度低、能提供数厘米的定位精度等一系列优点。
简单来讲,超宽带(UWB)技术是一种低功耗、高带宽并且实现相对简单的无线通信技术。UWB技术与传统的无线通信技术有着本质区别,如目前几乎所有的无线通信包括移动电话、无线局域网等通信,其所使用的通信载波均为连续的电波,而超宽带(UWB)产品在工作时发出则更多的是大量的非常短距离、能量非常大的脉冲波形。这些脉冲都是经过精确计时的,每个只有几个毫微秒长,可以覆盖非常广泛的区域。
泰克针对超宽带(UWB)信号测试提供专用的生成分析测试仪器

AWG70000 任意波形发生器
UWB信号带来了许多挑战性的测试和测量问题,需要专用的测试仪器功能。泰克为UWB生成和分析超宽带测试信号,给出了要求高性能任意波形发生器(如泰克AWG7000系列)和超宽带数字荧光示波器(如可以满足各种UWB信号带宽要求的DPO70000系列)。
泰克AWG7000系列和RFXpress为UWB 测试信号的生成提供了可靠的解决方案。AWG7000和RFXpress能在UWB频谱中以数字方式合成和产生信号。对自定义的UWB 信号或针对最新WiMedia 规范定义的信号而言,AWG7000 解决方案可创建超过1.6GHz 调制带宽的实时跳频信号。RFXpress 软件使用户能完全控制其UWB信号的特性,包括导引同步序列和时间频率码等。对WiMedia应用的全部六个频带组(BG1~BG6),使用AWG7000 可以在IQ、IF 或直接RF 信号中,也给用户提供了直接产生射频、中频上变频或基带调制等三种不同的选择。

使用AWG7000 和SerialXpress 产生数字信号,添加去加重

使用AWG7000 和SerialXpress 添加有信号还原的数字数据
泰克AWG7000系列任意波形生成器调制超宽带(UWB)信号

泰克AWG7000任意波形发生器提供 20Gs/s 的采样率,可直接生成多种 UWB 波形
生成UWB测试信号要求巨大的带宽,这需要使用专用的信号生成设备。大多数常用的实验室信号发生器只能生成几十或几百MHz的带宽,而大多数UWB信号需要1.5 GHz的带宽,远不能满足UWB要求。
根据要生成的UWB调制,可能需要不同的信号发生方法。TH-UWB和DS-UWB之类的信号一般完全在基带生成,要求几千兆赫的基带带宽。其它信号如MB-OFDM则更多地上变频到相应的RF频段。上变频方法要求的基带带宽较少,但增加了外部上变频器或调制器,提高了复杂性。
多年来,泰克AWG系列的带宽能力一直居于业内领先地位。AWG7000等型号使用近四倍的过采样率,实现了高达20 GS/s的采样率和5.8 GHz的基带带宽。这为BG1和BG2的WiMedia MB-OFDM信号直接生成RF提供了足够的带宽。

AWG7000支持直接基带和外部I-Q调制器/上变频器UWB信号生成方法
通用AWG可以执行直接基带任意波形生成功能,生成的I-Q基带信号还可以使用传统外部调制器调制和上变频到更高的频率。AWG7000提供了8 - 10位的动态范围,可以在没有外部元件的情况下,直接生成高达5.8 GHz的UWB信号。可以使用外部上变频器或I-Q调制器,实现WiMedia高频段组#3-6的信号。
AWG7000系列也配有差分输出,可以直接同流行的平衡放大器和混频器元件接口,改善了抗共模干扰的能力。由于大量的UWB信号创建工作使用软件算法以数字方式实现,因此任意波形存储器灵活播放各种信号的能力对UWB工程师尤其具有吸引力。
可以使用仪器面板操作或PC,通过多种编程方式对任意波形存储器编程。
泰克提供了RFXpress,这是一种强大的软件工具,可以合成复杂的UWB调制波形文件。此外,泰克AWG还可以导入许多常用的文件类型进行播放,如.pat、.seq、.wfm、MATLAB®、Mathcad®或Excel®。这种灵活的文件格式允许工程师直接从软件定义无线电设计工具中下载波形数据,而且通常不需要进行格式转换。
利用RFXpress 快速创建基于通用或标准RF/IF信号
为有效构建UWB系统,需要各种测试激励波形。过去,编译复杂的UWB信号结构一直很难。通常情况下,最容易随时获得的UWB信号,是来自于该系统自身软件定义的信号编码。这也是为什么泰克AWG信号发生器会支持多种兼容文件类型:这些文件类型被广泛用于流行软件定义无线电的设计工具。
但是,使用UWB自己的系统软件生成测试信号可能会带来问题。这种方法的主要问题是它假设系统波形设计能够正确运行,而在开发阶段早期,这可能并不符合实际情况。此外,无线电系统软件通常不能增加信号损伤,产生满足测试目的的信号处理起来可能会非常麻烦,同时,这些系统软件在设计时一般没有考虑测试所用的人机界面。
更加首选的方法是使用已知良好的软件工具,这种工具能够可靠地合成通用信号和基于标准的信号,这些信号可以带损伤,也可以不带损伤。这消除了测试信号的不确定性,提供了简便易用的人机界面,加快了设计和调试流程。

RFXpress同时提供了通用多信道调制合成功能和基于标准的合成功能,如WiMedia的UWB信号
RFXpress波形合成软件支持创建通用信号,及创建特定标准信号,如WiMedia格式。因此,RFXpress同时适用于WiMedia设备的频谱环境仿真和功能测试。RFXpress是一种基于流行PC的软件工具,其图形用户界面可以以可视方式确认波形和设置。RFXpress可以快速合成波形,简便地自动校准,创建RF和IF信号。它还拥有“自动发现仪器”功能,消除麻烦的手动仪器设置工作。为简化通用波形或基于标准的波形创建过程,RFXpress还拥有自动回卷(Wrap around)校正及归一化波形幅度。回卷校正功能消除了在重复播放的波形开头和末尾信号幅度差异大时连续播放时可能发生的频谱毛刺。归一化波形幅度使输出信号动态范围达到最大,它缩放波形的幅度,以最好地适应AWG的数模转换器(DAC)的动态范围。
通过使用一致性模式,用户只需点击鼠标,就可以合成复杂的MB-OFDM WiMedia信号。RFXpress包含业内采用的各种WiMedia信号标准,允许用户在最高层级上选择信号属性。这消除了手动编程实现标准规定的信号特性的复杂性。它还降低了构建WiMedia信号时因疏忽而产生错误的可能性。
RFXpress可以对大量的WiMedia信号特性编程。例如,尽管WiMedia规定了RF频段组和中心频率,但泰克认识到,许多工程师可能希望在IF上执行测试。RFXpress允许在AWG指标范围内,用户可选择在IF频率或WiMedia标准RF频率上定义信号。
RFXpress配置WiMedia信号的灵活性远不止输出频率。它可以在数据包组级定义许多UWB参数。
WiMedia UWB信号使用复杂的PLCP协议数据单元(PPDU ),定义传输所需的协议。PLCP前置码、PLCP包头和PSDU构成了PLCP协议数据单元(PPDU)。PLCP包括一个用于数据包同步和信道估算的前置码及用于PHY特点的PLCP包头,这些特点包括速率、数据包长度、介质访问控制器(MAC)信息、编码和其它信号协议属性。数据包的PSDU部分包括数据净荷及其它功能,如tail bit和Pad bit。
RFXpress可以全面控制PLCP和PSDU单元,从数字数据包组级生成波形。测试工程师可以使用一个简单的图形PPDU界面简便地创建不同的数据包,其中包括码型选择指示及发送的数据包的十六进制显示,测试WiMedia设备的功能性能。此外,用户可以选择及以图形方式查看所有TFC码及数据包之间的间隔。
RFXpress可以为被测设备(DUT)灵活地创建完整的激励数据包,包括设置MAC包头和数据净荷。甚至可以实现OFDM音调清零,实现每个载波功率电平独立设置的灵活性。为测试基本采集电路和均衡器,RFXpress还可以只生成WiMedia前置码,而没有PLCP包头和数据净荷,这有助于创建调试方案。
UWB调制能够强健地耐受信号损伤的能力,是许多UWB应用赖以生存的一项重要功能。为评估UWB设备的性能,工程师通常希望提供增加了损伤的激励信号。RFXpress不仅可以生成复杂的WiMedia MB-OFDM信号,而且可以生成常见的信号损伤。由于能够以数字方式添加信号,因此可以合成及在所需信号中添加所有类型的带内干扰源和带外干扰源,以评估RF数据链路的耐受性。类似的,可以在适当的时间增加选通噪声。甚至可以增加失真和I-Q损伤,使用并非完美的发射机测试接收机性能,保证RF互操作性。
在RF设备之间实现无差错空中接口可能会极具挑战性。实现这一点的方式之一,是在不同环境中记录来自一系列无线设备的UWB RF传输,然后播放到目标无线设备,评估其响应。
RFXpress灵活的自定义和其内建的标准一致性合成能力,为AWG产生激励信号提供了简便的文件生成工具,是一种强大的波形合成工具。

RFXpress可以从数据包组级合成WiMedia数据包波形,控制PLCP前置码、包头和PSDU数据净荷。
有效测试干扰
测试UWB接收机的干扰灵敏度一直被测试专家列为重大挑战,因此我们认真地考察一下这个问题。UWB信号涵盖的大型带宽自然会导致广泛的潜在窄带干扰源。带内干扰源和附近的带外干扰源都会导致问题。UWB设计通常不能选择陡峭的IF滤波器,这就需要更宽的测试带宽。几乎没有UWB链路是仅仅只被一个窄带信号干扰,所以在测试中,通常要求复杂的频谱测试环境,因此优化干扰性能问题尤其突出。
仿真严酷的充满干扰、涵盖极高带宽的频谱环境的成本可能会非常高。把多个信号源叠加在一起,以生成实际干扰环境的传统方法一般要求大量的信号源投资。
创建干扰测试信号的更好方法是使用AWG的超宽带宽和独特的软件工具,如RFXpress,使用一个AWG信号源合成整个频谱环境。可以在RFXpress中随机生成复杂的一系列窄带频谱干扰源,然后存储在AWG中。使用单台AWG就可以播放包含所需UWB信号的整个频谱环境,从而简便地判断设计在改善干扰灵敏度方面的效果。
RFXpress还可以控制泰克高速示波器,从而能够捕获和重放宽带信号。它可以精确播放实际信号频谱环境,评估不同设计在受控条件下的性能,复现实际频谱环境。
单个超宽带AWG可以代替许多昂贵的独立信号发生器,为评估UWB干扰灵敏度提供了更加经济、更加灵活的解决方案。
UWB频谱测量
UWB频谱测量给开发和测试工程师带来了某些不同寻常的挑战。
集成度高的UWB设备通常只允许从发射信号中进行频谱测量。内部测试点连接可能不可行,或可能反映不了超宽带天线的衰减特点。除这些问题外,发送信号可能位于噪底附近,要求非常灵敏的频谱分析仪或外部前置放大器。

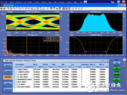
装有UWB应用软件的DPO70000系列示波器同时测试WiMedia频段组每个频段的频谱模板,并进行ACPR测量。
法规要求测试UWB信号频谱需要50 MHz频谱测量分辨率带宽。UWB信号涵盖了多个宽带频谱,有部分需要牌照的信道被包含在这些频谱中,这些信道可以宽达50 MHz。因此,需要50 MHz的RBW,才能准确了解潜在的干扰风险。这一要求使许多流行的频谱分析仪无能为力,因为只有少量频谱分析仪才有这么宽的内部带宽。
示波器通常没有典型频谱分析仪的动态范围,一些测量的设置会更加麻烦。但是,高速示波器,如泰克DPO70000系列,拥有内部快速傅立叶变换(FFT)功能,其可以从捕获的时域信号中生成发射信号频谱曲线。此外,泰克DPO70000示波器带有UWB软件,可以自动对WiMediaUWB信号进行频谱模板测量。
UWB分析软件自动识别信号的TFC,选择要使用的相应频谱模板。然后软件确定信号是否通过模板测试,并计算总的积分信道功率。
一旦实现满足要求的UWB输出频谱,下一个测量问题通常是优化调制性能。

DPO70000示波器和UWB分析软件作为整套测量的一部分,自动识别这个MB-OFDM频谱图的TFC,为每个分析的数据包绘制曲线。
UWB调制测量
WiMedia的MB-OFDM UWB调制非常复杂,在检定性能时提出了多个挑战。
与在小频频范围上依赖杰出元件性能的许多窄带调制不同,超宽带元件特点可能会使UWB信号失真。例如,幅度平坦度、群时延变化和跳频毛刺都可能会使重要的链路性能劣化。从多频段信号中检测这些问题及其它问题,要求的功能远远超过了简单地捕获时域波形。
首先,必须为某个WiMedia信号确定相应的TFC。如果不知道被测设备的工作模式,可能很难识别正确的代码。幸运的是,泰克UWB分析软件利用DPO70000捕获的波形,自动识别信号的TFC、跳频序列和数据速率。UWB软件和拥有足够的带宽的DPO70000示波器,可以识别所有WiMedia频段组中的MB-OFDM信号,对于全球不同地区对UWB信号的法规要求,都可以简化相应的设备测试。

UWB 分析软件测量单个OFDM载波的星座图及EVM、数据速率和中心频率
然后,UWB分析软件可以查看详细的调制测量结果。该软件拥有强大的频域功能,可以确定信号是否通过三个频谱模板。它还独立测量频段组中每个频段的邻道功率比(ACPR),以及频段组中超出模板的数量和频段组外面超出模板的数量。
在确定频谱一致性后,可以使用矢量幅度误差(EVM)、峰值EVM、数据速率、中心频率、数据符号数和公共相位误差(CPE)评估调制质量。
UWB矢量幅度误差(EVM)的计算过程要比传统连续波测量复杂。UWB EVM包括使用信道估算(CE)符号进行初始信道估算,提供相位和定时的估值。这允许对导频的频率偏置估算应用校正,通过简单地选择CPE分析类型,更精确地进行测量。
泰克UWB分析软件可以简便地测量复杂的UWB信号属性,设计和生产领先的产品。
泰克适用于超宽带(UWB)测试最新产品系列

免责声明:本文系网络转载或改编,未找到原创作者,版权归原作者所有。如涉及版权,请联系删