许可优化
许可优化
产品
产品
解决方案
解决方案
服务支持
服务支持
关于
关于
软件库
当前位置:服务支持 >  软件文章 >  OptiSPICE光电回路设计软件,光通信设计利器

OptiSPICE光电回路设计软件,光通信设计利器

阅读数 1038
点赞 0
article_banner

OptiSPICE 是世上首套能够同时分析光电子信号元件的光电一体化回路设计软件。它可以设计和模拟晶体管层面的光电回路,包括从激光驱动器到跨阻抗放大器、光互连和电均衡器。随着光电元件在芯片和集成板上的集成化发展,拥有一款可靠、精确并高效仿真光电集成回路上的信号传输的模拟软件显得尤为重要。OptiSPICE 提供了利用光电信号的反馈而达到的自洽解决程序。OptiSPICE 是一个包含参数提取、图形截取、回路模拟和波形分析的完全集成化平台。

OptiSPICE是唯一一款用于光学,电学和热能领域自洽的电路设计软件。光学元件由延迟微分方程表示,电路由代数微分方程表示,热电路由一组一阶非线性热扩散方程表示。支持各种电路元件,如二极管,晶体管,BJT和MOSFET,以及激光二极管,光纤和光电二极管等光学元件; OptiSPICE提供瞬态时域,小信号频率和噪声分析

优势

· 通过OptiSPICE综合光电的设计环境模拟光电回路,可以大大降低产品开发成本并提高设计效率;
· 解析最先进的瞬态时域、小信号频率和噪声分析,来精确预测尖端的光电子回路里的信号变化;
· OptiSPICE回路图可以在直观的图形用户界面上进行直接的图表输入,也可以很方便的理解回路图,定义参数规格,各个节点的波形探测和使用。
· 使用OptiSPICE的波形显示器来进行波形的后处理,或者使用OptiSystem用于更高度的后处理波形分析(光谱分析图谱,眼图,示波器)。
· 用OptiSPICE自带的参数提取工具,从实际的测量数据中找到最佳的OptiSPICE模型参数。

回路图编辑器

10.jpg

· 回路图编辑器允许用户使用标准画图工具对器件和子系统进行自定义符号;
· 支持不限层数层次设计。图形中的任何符号可以包含任意尺寸的其它图形。块可以嵌套到任意想要的深度。任意数目的分层块可以随时被打开进行编辑;
· OptiSPICE图形包含强大的用户报告生成器工具,用于网表和文本报告生成。报告格式是由包含了格式命令和常量文本的“表格文件”所确定。表格文件允许用户进行控制:整体报告的结构,如信号或器件的网表,器件的材料清单等;
· OptiSPICE包括几个强大的技术用于脚本和自定义,其允许全面获取所有设计数据和程序功能;
· 回路图编辑器可以将光电回路图保存为标准PDF,WMF(windows Metafile)和DXF(autoCAD )图形格式。这一功能可以帮助用户把图形传到其它软件中进行绘画、增强或者合并到其它文件中;
· 产生OptiSPICE或和HSPICE相兼容的网表。

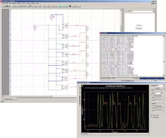
仿真器

11.jpg

· OptiSPICE仿真器直接将处理光器件的方程合并到电学仿真架构中,因此形成一个单引擎的光电仿真软件;
· OptiSPICE可以建立热的宏模型来进行热分析,用户可以将其结合到光电仿真中来达到更可靠的仿真结果;
· 支持二极管、晶体管、 BJTs 和MOSFETS 等各种电路元件和激光二极管、光纤和光电探测器等各种光学元件;
· 能模拟集成光路、波分复用(WDM)以及多模信号;
· 先进的数值分析技术保证了信号求解时的收敛性,先进的求解器会自动选取最恰当的收敛算法来进行瞬态模拟;
· 有源和无源器件的模型与业界标准的HSPICE相兼容,用户可以很容易地将HSPICE格式编写的外部模型和网表导入到OptiSPICE中;
· 支持BSIM3模型,实现精确的仿真;
· 提供包括S-参数、极点/留数表达式和传输线模型等和不同频率相关的模型。

波形分析

12.jpg

· OptiSPICE 的波形浏览器是一个后仿真分析工具,允许设计人员查看从放置在OptiSPICE电路设计中的任何探针捕获到的光电信号;
· 2D可视化功能包括电流、电压和光功率、振幅和相位的双向(时域)分析;
· 通过简单点击按钮,可以将探针的数据自动导入到OptiSystem里,利用OptiSystem先进的后处理环境作进一步的分析(包括眼图和光谱可视图,误码率和Q因子测量)。

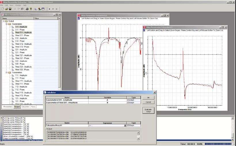
参数提取

13.jpg

· 激光参数提取器允许用户从激光器的静态和动态测量值中提取并拟合参数以建立模型;· 滤波器参数提取器允许用户将S-参数转变为紧凑和高效的极点/留数表达式。· 多模光纤参数提取器包括一个光纤模式求解器,允许从用户自定义折射率分布来构建光纤库。

14.jpg

应用

· 晶体管层面光电回路的设计和仿真,包括从激光驱动器到跨阻放大器、光互连和电均衡;
· 光电信号的一体化分析,包括带有误码率分析的眼图。


免责声明:本文系网络转载或改编,未找到原创作者,版权归原作者所有。如涉及版权,请联系删

武汉格发信息技术有限公司,格发许可优化管理系统可以帮你评估贵公司软件许可的真实需求,再低成本合规性管理软件许可,帮助贵司提高软件投资回报率,为软件采购、使用提供科学决策依据。支持的软件有: CAD,CAE,PDM,PLM,Catia,Ugnx, AutoCAD, Pro/E, Solidworks ,Hyperworks, Protel,CAXA,OpenWorks LandMark,MATLAB,Enovia,Winchill,TeamCenter,MathCAD,Ansys, Abaqus,ls-dyna, Fluent, MSC,Bentley,License,UG,ug,catia,Dassault Systèmes,AutoDesk,Altair,autocad,PTC,SolidWorks,Ansys,Siemens PLM Software,Paradigm,Mathworks,Borland,AVEVA,ESRI,hP,Solibri,Progman,Leica,Cadence,IBM,SIMULIA,Citrix,Sybase,Schlumberger,MSC Products...

相关文章
QR Code
微信扫一扫,欢迎咨询~
customer

online

联系我们
武汉格发信息技术有限公司
湖北省武汉市经开区科技园西路6号103孵化器
电话:155-2731-8020 座机:027-59821821
邮件:tanzw@gofarlic.com
Copyright © 2023 Gofarsoft Co.,Ltd. 保留所有权利
遇到许可问题?该如何解决!?
评估许可证实际采购量? 
不清楚软件许可证使用数据? 
收到软件厂商律师函!?  
想要少购买点许可证,节省费用? 
收到软件厂商侵权通告!?  
有正版license,但许可证不够用,需要新购? 
联系方式 board-phone 155-2731-8020
close1
预留信息,一起解决您的问题
* 姓名:
* 手机:

* 公司名称:

姓名不为空

姓名不为空

姓名不为空
手机不正确

手机不正确

手机不正确
公司不为空

公司不为空

公司不为空