导读
以氮化镓(GaN)和碳化硅(SiC)为代表的第三代半导体材料由于其禁带宽度大、击穿场强高、热导率高、电子饱和漂移速度高等特性,在光电子领域及高频大功率应用上倍受青睐。
本文对比了SiC和Si的物理结构和电气特性,并选取了两款MOSFETs,在实验室中用Saber仿真了它们在电路中的损耗,结果显示SiC MOSFETs平均损耗比Si MOSFETs低30%~48%。最后,讨论了SiC器件在光电子、太阳能逆变器和移动储能电站中的应用,并且在实验室中测试、分析了两台来自不同厂家的样机,实验结果显示,SiC系统比Si系统运行温度降低50%~60%,损耗降低11%,整机效率提高2.68%,功率密度由约0.46 kW/L提高到0.90 kW/L。说明SiC能够大幅提升系统的效率和功率密度,因其巨大的潜力,未来有望将工作频率提升至500 kHz以上,将系统功率密度提升至现有产品的5~10倍。
引言
第一代半导体材料Si点燃了信息产业发展的星星之火,世界上95%的半导体是由Si材料制作,随着电子电力技术的不断发展,电能早已成为日常生活中最不可或缺的能源,据统计,全球40%的能源是以电能的形式被消耗掉,而电能转换传输过程中的损耗是最主要的电能损耗方式。传统的Si半导体已经无法满足当今社会对于高频、高温、高功率、高效率以及小型化的要求,于是以SiC和GaN为代表的第三代半导体材料应运而生。在2001年德国的Infineon公司率先推出SiC二极管,美国的CREE公司也紧随其后推出了SiC二极管的产品,目前市场份额最大的品牌是CREE,紧随其后的是Infineon、ROHM、ST等公司。Infineon和CREE两家公司占据了全球SiC半导体市场68%的市场份额,其它公司总共占据32%市场份额。SiC以其优异的性能广泛应用于光电子、新能源汽车、储能系统、轨道交通、光伏发电等高新技术产业。
1 SiC材料结构和物理特性

图1 由两层碳(C)和硅(Si)组成的4H-SC晶体结构

表1 碳化硅各种晶型的特性
2 SiC与其它半导体材料的性能对比

表2 不同半导体材料带隙表

图2 (a)碳化硅、氮化镓、硅材料特性对比;(b)碳化硅、氮化镓、硅导通电阻和击穿电压曲线
3 SiC MOSFETs与Si MOSFETs对比及仿真
3.1 参数对比

表3 SiC和Si MOSFETs关键参数对比
3.2 温度特性分析

图3 (a)Si MOSFETs温度/导通电压曲线;(b)SiC MOSFETs温度/导通电压曲线
3.3 Saber损耗仿真对比

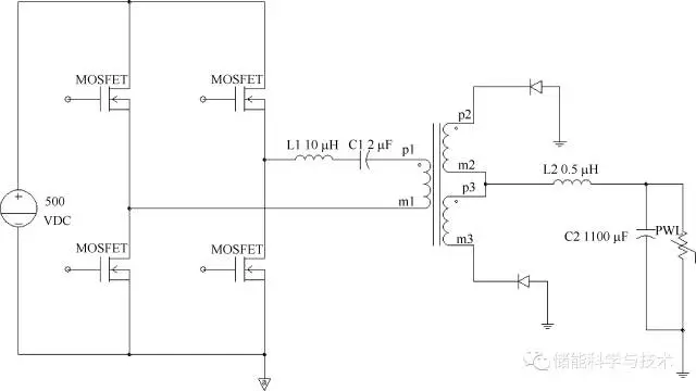
图4 6kW DC-DC拓扑

图5 (a)满载下Si MOSFETs损耗;(b)满载下SiC MOSFETs损耗

图6 (a)半载下Si MOSFETS损耗;(b)半载下SiC MOSFETS损耗
4 SiC功率器件的应用
4.1 行业应用介绍
4.1.1 LED半导体照明

图7 CREE三代LED产品尺寸对比
4.1.2 太阳能逆变器

图8 50 kW太阳能逆变器外观
4.2 移动储能电站系统
4.2.1 系统结构

图9 移动储能电站系统结构
4.2.2 产品分析
4.2.2.1 OBC 的DC-DC模块

表4 DC-DC基本参数

图10 DC-DC实验装置连接方式

图11 (a)420 V输入电压、不同负载下效率;(b)580 V输入电压、不同负载下效率及(c)760 V输入电压、不同负载下效率

图12 (a)420 V满载热成像图(Si);(b)420 V满载热成像图(SiC);(c)580 V满载热成像图(Si);(d)580 V满载热成像图(SiC);(e)760 V满载热成像图(Si);
(f)760 V满载热成像图(SiC)
4.2.2.2 CREE DC-DC

表5 CREE DC-DC基本参数

图13 8 kW CREE SiC样机


表6 碳化硅系统损耗和硅系统损耗

图14 SiC系统在700 V输入不同负载下的效率
5 结论
本文介绍了SiC的发展历史、材料特性和物理结构,对比分析了SiC、Si和GaN,突出了SiC禁带宽度大、击穿场强高、热导率高、电子饱和漂移速度高等特点。具体对比了CREE的C2M0080120D(SiC)和IXYS的IXFK26N120P(Si)两款MOSFETs,并在实验室仿真了其在电路中的损耗,验证SiC功率器件能够降低系统的损耗。
介绍了碳化硅功率器件在光电子、太阳能逆变器和移动储能电站中的应用。针对移动储能电站的应用选取了两个产品对其损耗、效率和功率密度进行了测试分析,结果指出SiC系统相较于Si系统整机效率高2.68%、损耗低11%、工作温度低50%、功率密度提升0.95倍,实验结果符合前文对于SiC性能的分析预测和仿真结果。未来,进一步提高SiC系统的工作频率、效率和功率密度,进一步实现移动储能电站的小型化和轻量化是研究的方向,同时高工作频率带来的EMI问题也需进一步研究解决。
免责声明:本文系网络转载或改编,未找到原创作者,版权归原作者所有。如涉及版权,请联系删
武汉格发信息技术有限公司,格发许可优化管理系统可以帮你评估贵公司软件许可的真实需求,再低成本合规性管理软件许可,帮助贵司提高软件投资回报率,为软件采购、使用提供科学决策依据。支持的软件有: CAD,CAE,PDM,PLM,Catia,Ugnx, AutoCAD, Pro/E, Solidworks ,Hyperworks, Protel,CAXA,OpenWorks LandMark,MATLAB,Enovia,Winchill,TeamCenter,MathCAD,Ansys, Abaqus,ls-dyna, Fluent, MSC,Bentley,License,UG,ug,catia,Dassault Systèmes,AutoDesk,Altair,autocad,PTC,SolidWorks,Ansys,Siemens PLM Software,Paradigm,Mathworks,Borland,AVEVA,ESRI,hP,Solibri,Progman,Leica,Cadence,IBM,SIMULIA,Citrix,Sybase,Schlumberger,MSC Products...