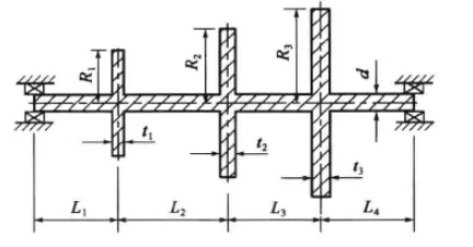
如下图所示钢制圆盘转子结构,材料的弹性模量为200GPa,密度为7800kg/m³,泊松系数为0.3,长度分别为L1=0.2m,L2=0.3m,L3=0.5m,L4=0.3m,轴径d=0.05m,圆盘半径分别为R1=0.12m,R2=0.2m,R3=0.2m,厚度分别为t1=0.05m,t2=0.05m,t3=0.06m。轴的两端为简支边界条件,求该转子结构涡动频率、振型、临界转速。

结构转动时会产生离心力,而离心力对结构变形有影响,从而影响转动模态,因此预应力转动结构模态分析就是考虑结构转动时的离心力对模态的影响。不同转子受到离心力的影响程度不同,对实际转子应进行无预应力和有预应力的模态分析进行对比,有时离心力的影响会很大,甚至改变涡动频率曲线的趋势。
不考虑应力的结果如下:


考虑预应力的结果如下:


在APDL中,预应力的模态分析是静力学分析和模态分析交替进行,在静力分析阶段就要打开科氏开关、坎贝尔图开关和预应力开关,并对转动部件定于转速,坎贝尔图开关中的NSLOVE项与交替求解次数相同,其余过程与一般结构的有预应力模态分析相同。
免责声明:本文系网络转载或改编,未找到原创作者,版权归原作者所有。如涉及版权,请联系删
武汉格发信息技术有限公司,格发许可优化管理系统可以帮你评估贵公司软件许可的真实需求,再低成本合规性管理软件许可,帮助贵司提高软件投资回报率,为软件采购、使用提供科学决策依据。支持的软件有: CAD,CAE,PDM,PLM,Catia,Ugnx, AutoCAD, Pro/E, Solidworks ,Hyperworks, Protel,CAXA,OpenWorks LandMark,MATLAB,Enovia,Winchill,TeamCenter,MathCAD,Ansys, Abaqus,ls-dyna, Fluent, MSC,Bentley,License,UG,ug,catia,Dassault Systèmes,AutoDesk,Altair,autocad,PTC,SolidWorks,Ansys,Siemens PLM Software,Paradigm,Mathworks,Borland,AVEVA,ESRI,hP,Solibri,Progman,Leica,Cadence,IBM,SIMULIA,Citrix,Sybase,Schlumberger,MSC Products...